Wenzhou Joepai Valve Co., Ltd.
Wenzhou Joepai Valve Co., Ltd.
Nyheder

Nyheder

Hvorfor er vores omkostningseffektive 3-delt smedet stål højtrykskugleventil et godt valg?

Hvad er en 3-delt smedet stål højtrykskugleventil?

A 3-delt højtrykskugleventil i smedet stålrefererer til en højstyrke kugleventil med en tredelt kropsstruktur forbundet med bolte. Dens lukkeelement er en præcist bearbejdet kugle, som drejes rundt om ventilhusets midterlinje af ventilspindelen for at opnå hurtig afspærring, fordeling eller strømskifte af mediet.


Produktbeskrivelse

3-delt smedet stål kugleventiler er nemme at betjene, kompakte, pålideligt forseglede, enkle i strukturen og nemme at vedligeholde. Tætningsfladen og kuglen er altid i lukket tilstand, hvilket gør dem mindre modtagelige for erosion fra mediet. De er meget udbredt i forskellige industrier.

Ventilhuset er dannet ved hjælp af en smedningsproces, og materialet kan være rustfrit stål (såsom F304, F316) eller kulstofstål (såsom A105). Smedede stålmaterialer har egenskaber som tæt struktur, fremragende mekaniske egenskaber og stærk slagfasthed, hvilket gør dem særligt velegnede til højtryks- og højstyrke arbejdsforhold.

I henhold til behovene i rørledningssystemet kan forskellige tilslutningsmetoder vælges, såsom gevindforbindelse (NPT, BSP-P(G), BSPT(Rc)), stødsvejsning (BW), socket weldin(SW)g eller flangeforbindelse, hvilket tilbyder fleksibel installation og stærk tilpasningsevne.

Designtrykket kan nå op til 1500 LB, hvilket gør det velegnet til højtrykstransportsystemer inden for områder som petroleum, kemisk industri og naturgas.


3-delt smedet stål kugleventil standarder:

1) Design- og fremstillingsstandarder: BS5351, MSS SP-118

2) Forbindelsesendemål: ANSI B16.10, JB/T1715

Sokkelsvejseendemål: ANSI B16.11, JB/T1715

Gevindende endemål: ANSI B1.12.1, JB/T7306

Butt Weld End Dimensioner: ANSI B16.25, JB/T12224

3) Test og inspektion: API 598

4) Materialestandarder: ANSI/ASTM


3-Piece Forged Steel High-pressure Ball Valve


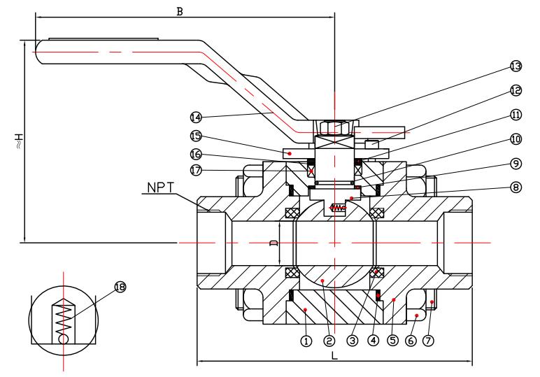
Hovedmateriale tabel:

Ingen. Del navn Kulstofstål Rustfrit stål
1 Legeme A105 F304 F304L F316 F316L
2 Bold SS304 F304 SS304L SS316 SS316L
3 Sæde PTFE, RPTFE
4 Pakning SS304/SS316 + Grafit
5 Kasket A105 F304 F304L F316 F316L
6 Møtrik A194-2H A194-8 A194-8M
7 Bolt A193-B7 A193-B8 A193-B8M
8 Stilk SS304 F304 SS304L SS316 SS316L
9 Trykskive PTFE, RPTFE
10 O-ring Viton
11 Kirtel SS304 SS304 SS304 SS316 SS316
12 Bolt 1035
13 Møtrik Rustfrit stål
14 Håndtag WCB, rustfrit stål
15 Begrænset plade 1025
16 Forebyg brandring SS304, SS316
17 Pakning Grafit
18 Forår SS304, SS316


Tabel over hoveddimensioner:

DN mm NPS (tommer) L mm D mm H mm
15 1/2" 92 13 66
20 3/4" 112 19 72
25 1" 126 24 100
32 11/4" 129 30 105
40 11/2" 152 38 112
50 2" 176 49 122


3-Piece Forged Steel High-pressure Ball Valve3-Piece Forged Steel High-pressure Ball Valve3-Piece Forged Steel High-pressure Ball Valve3-Piece Forged Steel High-pressure Ball Valve



Professionel fremstillingsgaranti – Wenzhou Joepai Valve Co., Ltd.

Som en virksomhed med speciale i forskning, udvikling og fremstilling af kugleventiler af rustfrit stål og kulstofstål,Wenzhou Joepai Valve Co., Ltd.er beliggende i Binhai Industrial Park i Longwan District, Wenzhou, kendt som "Kinas Valve City." Virksomheden kan prale af en moderne produktionsbase og et omfattende kvalitetskontrolsystem. Virksomheden er udstyret med:

Professionelt R&D-center og CNC-bearbejdningsudstyr

Avancerede testinstrumenter (såsom computer multi-element analyseinstrumenter, Leeb hårdhedstestere og tykkelsesmålere)

Tryktestmaskiner, livscyklustestmaskiner og andre testplatforme for fuld proces

Joepai Valve er afhængig af strenge processer og kontinuerlig innovation og sikrer, at hver 3PC højtrykskugleventil af smedet stål opfylder høje standardkrav til ydeevne, hvilket giver kunderne sikker, pålidelig ogholdbare ventilløsninger.


Relaterede nyheder
Efterlad mig en besked
X
Vi bruger cookies til at tilbyde dig en bedre browsingoplevelse, analysere trafik på webstedet og tilpasse indhold. Ved at bruge denne side accepterer du vores brug af cookies. Privatlivspolitik
Afvise Acceptere