Wenzhou Joepai Valve Co., Ltd.
Wenzhou Joepai Valve Co., Ltd.
Nyheder

Nyheder

JOEPAI lancerer nye omkostningseffektive rustfrit stål 304 brandhaneventiler – overlegen korrosionsbestandighed opfylder AS2419.2 standarder

JOEPAIer stolt af at introducere sin seneste innovation inden for brandsikringsinfrastruktur: denNyt udvalg afRustfrit stål 304 brandhaneventiler. Disse ventiler er udviklet til holdbarhed, overensstemmelse og værdi og tilbyder enoverlegent alternativ til traditionelle messingmodeller— leverer forbedret korrosionsbestandighed til en mere konkurrencedygtig pris.

Designet ihtAS/NZS 2419.2:2009, de nye hydrantventiler er ideelle til en lang række applikationer, herunder kommercielle, industrielle og boligbrandsystemer, især iaggressive miljøer som marine og minedrift.


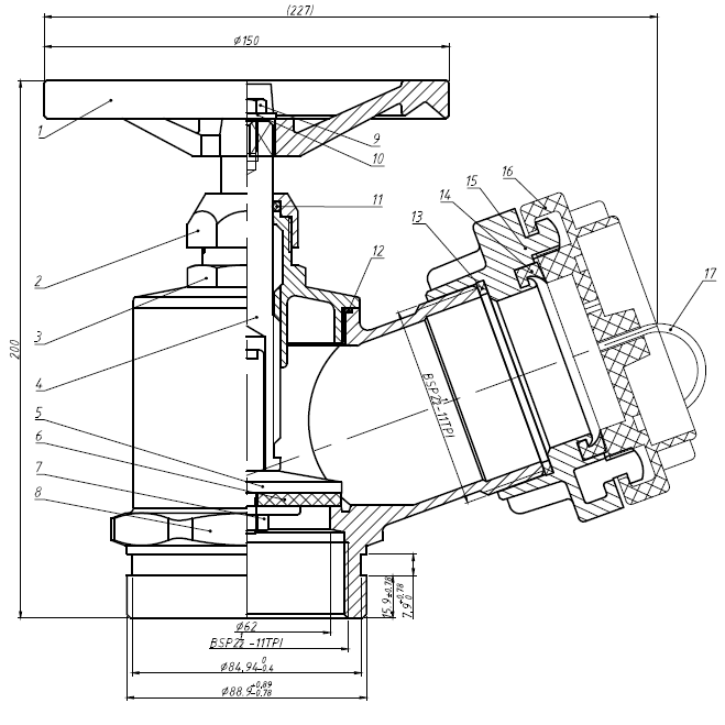
Stainless Steel 304 Fire Hydrant Valves

Produkthøjdepunkter:

Trådtype: Vinklet 65 mm BSP Forged Storz Adapter med UV-plastikhætte

Indløbstype: 80mm Rullerillet

Materialekvalitet: Krop, motorhjelm, skive, møtrik i CF8 (SS304); Stilk i SS316 for øget styrke

Tætningsmateriale: NBR gummi for pålidelig lækagesikker ydeevne

Håndhjul: Holdbart HT200 støbejern

Slutte: Rødmalet belægning med høj synlighed

Arbejdstryk: 1.400 kPa

Hydrostatisk testtryk: 2.700 kPa

Lufttæthedsprøvetryk: 800 kPa

Garanti: 12 måneder


Teknisk overholdelse:

Designet og testet tilAS2419.2-2009

Jævn håndhjulsdrift uden blokering efter montering

100 % inspiceret og testet - ingen defekter efter hydrostatiske og lufttæthedstests


Hvorfor vælge SS304 frem for messing?

Bedre korrosionsbestandighed: Ideel til barske miljøer, hvor messing kan nedbrydes over tid

Omkostningseffektiv: Tilbyder en mere overkommelig løsning uden at gå på kompromis med kvalitet eller ydeevne

Let og alligevel stærk: Nemmere at håndtere og installere, samtidig med at den strukturelle integritet bevares


Andre tilgængelige konfigurationer:

65mm NSW han x 80mm rullerillet

65 mm CFA han x 80 mm rullerillet

65mm QRT han x 65mm han BSP

65mm BI x 80mm Rullerillet

65mm QRT han x 80mm rullerillet

65 mm Storz Adapter x 65 mm han BSP

Uanset om du opgraderer et eksisterende system eller specificerer til et nyt projekt, tilbyder JOEPAIs nye SS304 hydrantventilerperfekt balance mellem ydeevne, compliance og overkommelighed.

Kontakt os i dagfor at lære mere eller anmode om et tilbud.

Relaterede nyheder
Efterlad mig en besked
X
Vi bruger cookies til at tilbyde dig en bedre browsingoplevelse, analysere trafik på webstedet og tilpasse indhold. Ved at bruge denne side accepterer du vores brug af cookies. Privatlivspolitik
Afvise Acceptere